輥道電機減速器(JB/T 5562一1991)采取電動機和減速器直聯式,由電動機直接驅動圓柱齒輪減速器或行星齒輪減速器進行傳動,包括YZD、YGL、YZL、YGX、YZX五種型式,機電合為一體,結構緊湊,體積小,安裝方便,可靠性高,使用壽命長。主要適用于軋機(傳動比i≤12.5)及連鑄機(i≥25)單獨傳動運輸輥道,其負荷特性為啟動較頻繁,帶負荷啟動,且正、反兩向運轉,也可用于其他負荷相似或較輕的機械傳動。工作環境溫度為-40~50℃,低于0℃時,啟動前應預熱,高于40℃時,應采取降溫措施。
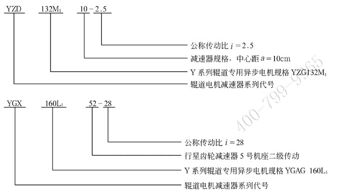
輥道電機減速器的型號與標記
(1)YZD型一YZG型電機(Y系列輥道專用三相異步電機)與單級圓柱齒輪減速器組成的輥道電機減速器。
(2)YGL型一YGAG型電機(Y系列輥道專用三相異步電機)與二級圓柱齒輪減速器組成的輥道電機減速器。
(3)YZL型一YZG型電機與二級圓柱齒輪減速器組成的輥道電機減速器。
(4)YGX型一YGAG型電機與行星齒輪減速器組成的輥道電機減速器。
(5)YZX型一YZG型電機與行星齒輪減速器組成的輥道電機減速器。
2. 標記

YZD、YGL、YZL、YGX、YZX輥道電機減速器實體模型

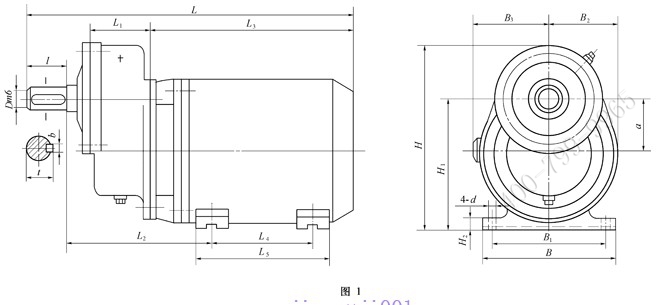
YZD型輥道減速機實體模型

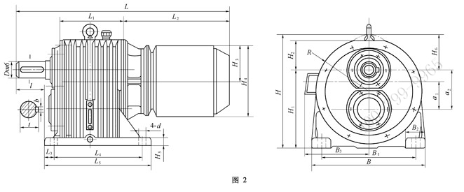
YGL、YZL型輥道減速機實體模型

YGX、YZX型輥道減速機實體模型
YZD型輥道電機減速器主要尺寸

型號 | a | L | B | H | L1 | L2 | L3 | L4 | L5 | B1 | B2 | B3 | H1 | H2 | D(m6) | l | b | t | d | 質量/kg |
YZD112M107 | 75 | ≤480 | 250 | 330 | 85 | 192 | 305 | 140 | 235 | 190 | 125 | 125 | 190 | 15 | 35 | 58 | 10 | 38 | 12 | 70 |
YZD132M110 | 100 | ≤633 | 275 | 355 | 115 | 270 | 401 | 178 | 260 | 216 | 140 | 145 | 236 | 17 | 45 | 82 | 14 | 48.5 | 12 | 119 |
YZD132M210 | 100 | ≤633 | 275 | 355 | 115 | 270 | 401 | 178 | 260 | 216 | 140 | 145 | 236 | 17 | 45 | 82 | 14 | 48.5 | 12 | 125 |
YGL、YZL型減速器主要尺寸

型號 | 中心距 | L ≤ | B | H | L1 | L2 | L3 | L4 | L5 | B1 | B2 | B3 | H1 | H2 | H3 | H4 | H5 | H6 | R | D (m6) | l | b | t | d | 質量m/kg | |
高速級a1 | 低速級a2 | |||||||||||||||||||||||||
YGL132M117 | 75 | 100 | 695 | 320 | 333 | 158 | 392 | 30 | 270 | 330 | 250 | 70 | 220 | 200 | 120 | 132 | 265 | 28 | 133 | 155 | 45 | 82 | 14 | 48.5 | 24 | 150 |
YGL132M217 | 75 | 100 | 695 | 320 | 333 | 158 | 392 | 30 | 270 | 330 | 250 | 70 | 220 | 200 | 120 | 132 | 265 | 28 | 133 | 155 | 45 | 82 | 14 | 48.5 | 24 | 160 |
YGL160L127 | 118 | 150 | 975 | 482 | 460 | 217 | 568 | 33 | 350 | 410 | 380 | 90 | 250 | 300 | 145 | 160 | 315 | 32 | 160 | 218 | 65 | 105 | 18 | 69 | 28 | 350 |
YGL180L127 | 118 | 150 | 955 | 482 | 485 | 217 | 548 | 33 | 350 | 410 | 380 | 90 | 290 | 300 | 145 | 185 | 370 | 32 | 160 | 218 | 65 | 105 | 18 | 69 | 28 | 378 |
YZL132M117 | 75 | 100 | 734 | 320 | 333 | 158 | 431 | 30 | 270 | 330 | 250 | 70 | — | 200 | 120 | 143 | 285 | 28 | 133 | 155 | 45 | </ | ||||

江蘇重泰減速機有限公司
采購 泰興減速機 請選擇重泰減速機有限公司(原 泰興減速機總廠)
全國咨詢電話: 13861821233 傳真:0510-80212333/85516654/85508340
座機:0510-80212111/80212555/80210978/85519221/85518416/85511836
郵箱:1051532995@qq.com 地址:無錫市梁溪區蔚藍路97號