還可以輸入255個字符
IANA網友(登陸發表)
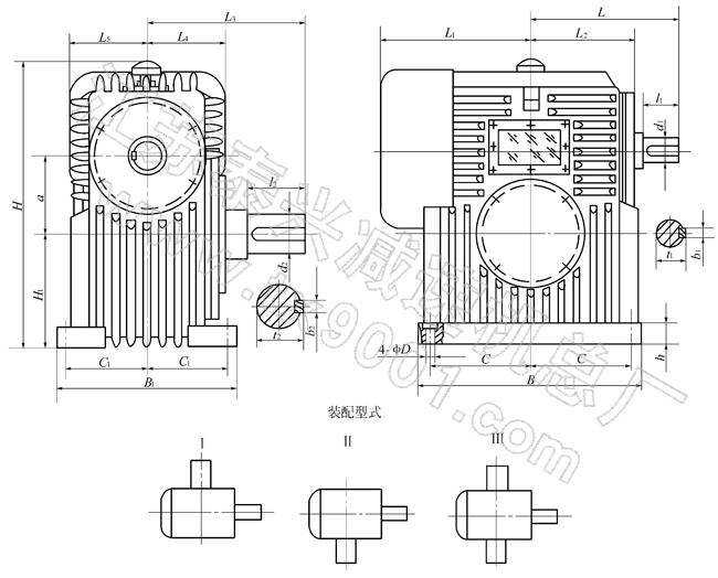
PW型平面二次包絡環面蝸桿減速器(GB/T16449—1996)其蝸齒面是以一個平面為母面,通過相對圓周運動,包絡出環面蝸桿的齒面,再以蝸桿的齒面為母線,通過相對運動包絡出蝸輪的齒面,稱為平面二次包絡環面蝸桿副。包括PWU、PWO、PWS型三種型式,適用于冶金、礦山、起重、運輸、石油、化工、建筑等行業機械設備的減速傳動。
整體式PWO80、PWO100、PWO125、PWO140、PWO160、PWO180、PWO200、PWO225、PWO250、PWO280、PWO315、PWO355、型平面二次包絡環面蝸桿減速機主要尺寸(GB/T16449-1996)


剖分式PWO400、PWO450、PWO500、PWO560、PWO630、PWO710、型平面二次包絡環面蝸桿減速機主要尺寸




江蘇重泰減速機有限公司
采購 泰興減速機 請選擇重泰減速機有限公司(原 泰興減速機總廠)
全國咨詢電話: 13861821233 傳真:0510-80212333/85516654/85508340
座機:0510-80212111/80212555/80210978/85519221/85518416/85511836
郵箱:1051532995@qq.com 地址:無錫市梁溪區蔚藍路97號