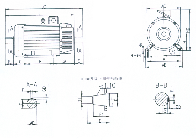
一、YZR112-400 IM1安裝尺寸與外形尺寸

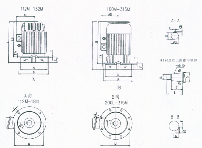
二、YZR112-315 IM3安裝尺寸與外形尺寸

三、YZR,450-475技術參數及安裝與外形尺寸

YZR系列起重及冶金用繞線轉子三相異步電動機
YZR系列起重及冶金用繞線轉子三相異步電動機用于各種類型的起重機械、冶金輔助設備及其他類似設備的電力驅動、具有較高的過載能力和機械強度、適用于短時或斷續周期性工作、頻繁起動、制動等有顯著振動與沖擊的設備。產品符合JB/T10105-1999標準的規定。其安裝尺寸和功率等級符合IEC72推薦標準、與日本的JEM1202及德國的DIN42681相似,并大多可以互換。
電動機的絕緣等級分為F、H級。F級絕緣電動機一般為起重用,適用于環境溫度不超過40℃的一般場所,H級絕緣電動機為冶金用,適用于環境溫度不超過60℃的冶金場所。
電動機的工作制分為短時工作制S2和斷續周期工作制S3。電動機的基準工作制為S3,基準負載持續率為40%。電動機還可以工作于S4、S5等工作制。

江蘇重泰減速機有限公司
采購 泰興減速機 請選擇重泰減速機有限公司(原 泰興減速機總廠)
全國咨詢電話: 13861821233 傳真:0510-80212333/85516654/85508340
座機:0510-80212111/80212555/80210978/85519221/85518416/85511836
郵箱:1051532995@qq.com 地址:無錫市梁溪區蔚藍路97號