
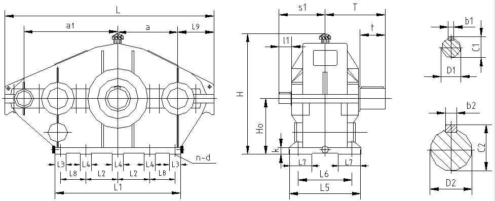
圖15 SHS型減速器外形尺寸
表17 SHS型減速器外形尺寸
規 格 | 中心尺寸 | 輪 廓 尺 寸 | 地 腳 螺 栓 | 高 速 軸 伸 | 低 速 軸 伸 | 質量 (kg) |
a1 a H0 | H L L1 L5 L9 | d n k L2 L3 L4 L6 L7 L8 | D1 l1 c1 b1 s1 | D2 t T c2 b2 | ||
215 | 320 215 200 | 433 765 550 340 130 | M20 4 25 245 100 285 75 | 14j6 25 16 5 180 | 75m6 105 265 79.5 20 | 195 |
255 | 380 255 230 | 493 895 630 370 150 | M20 6 25 285 100 100 315 75 | 18j6 28 20.5 6 200 | 90m6 130 305 95 25 | 285 |
300 | 445 300 280 | 585 1045 750 425 180 | M24 6 30 345 120 120 360 85 | 22j6 36 25 8 240 | 110m6 165 375 116 28 | 500 |
350 | 525 350 325 | 678 1220 860 465 200 | M24 6 35 390 120 160 400 90 | 30j6 58 33 8 280 | 130m6 200 425 137 32 | 670 |
400 | 615 400 355 | 740 1415 950 505 240 | M24 8 40 150 120 120 440 90 290 | 35k6 58 38 10 315 | 150m6 200 460 158 36 | 990 |
450 | 705 450 400 | 825 1605 1100 580 270 | M30 8 45 160 120 120 510 100 340 | 45k6 82 48.5 14 370 | 170m6 240 530 179 40 | 1380 |
500 | 755 500 500 | 1028 1765 1220 640 310 | M36 8 55 160 150 150 560 130 410 | 45k6 82 48.5 14 385 | 180m6 240 545 190 45 | 2200 |
550 | 850 550 560 | 1110 1945 1320 710 325 | M36 8 60 200 150 150 630 130 410 | 50k6 82 53.5 14 425 | 200m6 280 625 210 50 | 2900 |
600 | 900 600 630 | 1270 2070 1460 770 360 | M42 8 60 220 180 180 675 140 465 | 50k6 82 53.5 14 440 | 220m6 280 645 231 50 | 3600 |
670 | 1020 670 670 | 1330 2305 1600 830 385 | M42 8 70 250 180 180 735 140 500 | 55m6 82 59 16 475 | 250m6 330 730 262 56 | 4800 |
750 | 1100 750 750 | 1520 2510 1790 880 425 | M48 8 80 280 210 210 775 150 560 | 55m6 82 59 16 505 | 280m6 380 805 292 63 | 6500 |
840 | 1240 840 840 | 1666 2835 1980 990 480 | M48 10 80 450 250 250 880 150 485 | 65m6 105 69 18 575 | 300m6 380 855 314 70 | 9200 |
950 | 1350 950 950 | 1870 3100 2240 1050 520 | M56 10 90 500 250 250 930 200 555 | 65m6 105 69 18 600 | 340m6 450 950 355 80 | 13300 |
1070 | 1520 1070 1060 | 2100 3450 2480 1140 545 | M56 10 90 500 250 250 1020 200 675 | 75m6 105 79.5 20 645 | 380m6 450 1060 395 80 | 19000 |

江蘇重泰減速機有限公司
采購 泰興減速機 請選擇重泰減速機有限公司(原 泰興減速機總廠)
全國咨詢電話: 13861821233 傳真:0510-80212333/85516654/85508340
座機:0510-80212111/80212555/80210978/85519221/85518416/85511836
郵箱:1051532995@qq.com 地址:無錫市梁溪區蔚藍路97號